アイレットとワッシャー

アイレットとワッシャー

ハトメやワッシャーは多くの日用品に使われています。小さな金属部品です。ハトメは小さなリングのようなもので、ワッシャーは平らな円盤です。これらを一緒に押し付けて、布地やプラスチックなどの材料に強力で滑らかな穴を作成します。これにより、素材の破れが止まります。中国では、Nuote Metals がこれらの小さいながらも役立つ部品を製造しています。さまざまな作業に合わせて、さまざまな種類のアイレットとワッシャーを製造しています。

お問い合わせを送信

製品説明

ハトメとワッシャーのご紹介

アイレットとワッシャーが非常に便利なのは、そのシンプルさです。素材の穴にハトメを通します。次に、裏側にワッシャーを置きます。機械がそれらを押し付けて、断片を一緒に絞ります。これにより、材料が間にしっかりと固定されます。その結果、簡単に摩耗しない、きれいで強力な穴が得られます。このシンプルなデザインのため、アイレットとワッシャーは非常に信頼できるソリューションです。


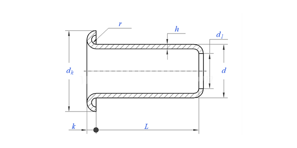
以下のようなアイレットとワッシャーの図:

アイレットとワッシャーの適用例:

製品パラメータ(仕様)

材料 真鍮
表面処理 クリーン、亜鉛メッキ、ニッケルメッキ、銀メッキ、ご要望に応じて
ヘッドタイプ 丸頭ソリッドリベット
証明書 Rohs準拠
シャンク径 0.8~8mm
許容範囲 +/-0.05mm
応用 自動車、航空宇宙、電気・電子などのさまざまな産業での使用に適しています。
品質管理 生産を通じて全範囲検査を実施し、各製品が ISO 規格を満たしていることを確認し、高品質の製品を保証します。




製品の特徴と用途

アイレットとワッシャーが見られる良い例は、オイル缶です。多くのオイル缶には、注ぐための小さな金属製の注ぎ口が付いています。この注ぎ口は頻繁に使用するため、簡単に破れてしまう可能性があります。しかし、よく見ると、開口部を補強する小さな金属のリングが見えることがよくあります。それは仕事中のアイレットとワッシャーです。注ぎ口が丈夫になり液漏れしにくくなり、油缶が長持ちします。このシンプルなパーツの使い方は完璧です。


ハトメとワッシャーの製作詳細

梱包情報

よくある質問:

Q1: アイレットとワッシャーの MOQ はいくらですか?

リベットのMOQは20,000個です。


Q2: 私たちの図面を使ってオーダーメイドで作ることはできますか?

はい、当社の管状リベットのほとんどは、お客様の図面に基づいてオーダーメイドで製作されます。


Q3: 中空リベットの無料サンプルを提供してもらえますか?

在庫のあるサイズについては無料サンプルを提供できますが、特急料金はお客様の負担となります。


Q4: 納期はどれくらいですか?

在庫のあるリベットのサイズ: 3-5日、非標準リベット: 15-25日。保証品質でできるだけ早くお届けいたします。


Q5: 製品の品質は?

同社には高度な生産設備と試験設備があり、すべての製品は出荷前に品質管理部門によって100%検査されます。


Q6: Nuote Technology を選択した理由は何ですか?

1.私たち Nuote は、顧客のプライバシー プロジェクトを保護するために顧客の条件を尊重します。

2.高品質と魅力的な価格

3.速いリードタイム

4.顧客とパートナーに対する幸せな取引と誠実さ

5.プロの販売広告は、8時間以内にお問い合わせに返信します。

6.Nuote の製品とサービスは 70 か国以上で販売されており、高い評判を得ています


ホットタグ: アイレットとワッシャー、中国アイレットとワッシャー、アイレットとワッシャーのメーカー
お問い合わせを送信
下記フォームよりお気軽にお問い合わせください。 24時間以内に返信いたします。
X
We use cookies to offer you a better browsing experience, analyze site traffic and personalize content. By using this site, you agree to our use of cookies. Privacy Policy