PCBアイレット

PCBアイレット

PCB アイレットは、回路基板に取り付けるように設計された小さな金属リングです。単純そうに見えますが、重要な役割を果たします。人々はこれらを使用して、PCB に強力で信頼性の高い穴をあけます。この小さなコンポーネントは、組み立て中や使用中に接続が損傷しないようにするのに役立ちます。 Nuote Metals は、PCB 用アイレットについて詳しく知るお手伝いをさせていただきます。

お問い合わせを送信

製品説明

PCBアイレットの紹介

PCB アイレットの主な役割は、穴を補強することです。通常は真鍮で作られ、多くの場合錫またははんだでメッキされます。これにより、コンポーネントをはんだ付けしやすくなります。基板に押し込まれると、PCB アイレットが穴を強化し、銅配線の亀裂を防ぎます。繊細な回路基板素材を保護する耐久性のあるスリーブのように機能します。


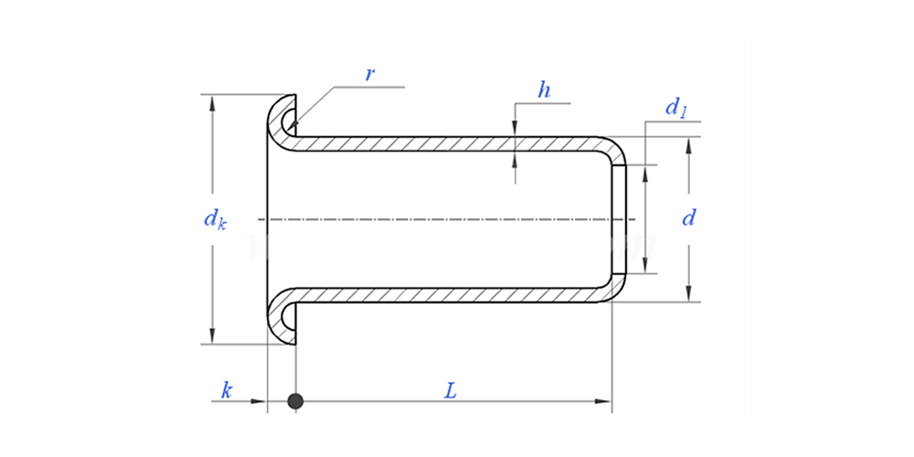
以下のような PCB アイレットの描画:

製品パラメータ(仕様)



材料 真鍮
表面処理 6.Nuote の製品とサービスは 70 か国以上で販売されており、高い評判を得ています
証明書 Rohs準拠
シャンク径 +/-0.05mm
許容範囲 +/-0.05mm
応用 自動車、航空宇宙、電気・電子などのさまざまな産業での使用に適しています。
品質管理 生産を通じて全範囲検査を実施し、各製品が ISO 規格を満たしていることを確認し、高品質の製品を保証します。



PCBアイレットアプリケーションショー:


製品の特徴と用途

PCB アイレットは多くの電子製品で使用されています。変圧器や大型コンポーネントの脚など、強力な接続ポイントが必要な場所に最適です。 PCB アイレットは、プローブが繰り返し接続される可能性があるテスト ポイントでも一般的です。スイッチやコネクタでは、PCB アイレットにより、機械的ストレスが壊れやすい基板自体ではなく金属スリーブにかかるようになります。これらは電子機器を長持ちさせるために不可欠です。


プリント基板アイレット 生産詳細

梱包情報

よくある質問:

Q1: PCB アイレットの MOQ は何ですか?

リベットのMOQは20,000個です。


Q2: 私たちの図面を使ってオーダーメイドで作ることはできますか?

はい、当社の管状リベットのほとんどは、お客様の図面に基づいてオーダーメイドで製作されます。


Q3: 中空リベットの無料サンプルを提供してもらえますか?

在庫のあるサイズの無料サンプルを提供できますが、特急料金はお客様の負担となります。


Q4: 納期はどれくらいですか?

在庫のあるリベットのサイズ: 3-5日、非標準リベット: 15-25日。保証品質でできるだけ早くお届けいたします。


Q5: 製品の品質は?

自動車、航空宇宙、電気・電子などのさまざまな産業での使用に適しています。


Q6: Nuote Technology を選択した理由は何ですか?

1.私たち Nuote は、顧客のプライバシー プロジェクトを保護するために顧客の条件を尊重します。

2.高品質と魅力的な価格

3.速いリードタイム

4.顧客とパートナーに対する幸せな取引と誠実さ

5.プロの販売広告は、8時間以内にお問い合わせに返信します。

6.Nuote の製品とサービスは 70 か国以上で販売されており、高い評判を得ています


ホットタグ: PCBアイレット
お問い合わせを送信
下記フォームよりお気軽にお問い合わせください。 24時間以内に返信いたします。
X
We use cookies to offer you a better browsing experience, analyze site traffic and personalize content. By using this site, you agree to our use of cookies. Privacy Policy